4.6.8 Dreiphasenwechselstrom (Drehstrom)
Im Generator sind drei Wicklungen versetzt um 120° angebracht. Bei Drehung des Läufers, der ein Magnet mit Nord- und Südpol ist, wird in jeder Spule eine gleich große Wechselspannung erzeugt. Diese Spannungen sind jedoch zeitlich um 120° verschoben.

Abb. 383: zeitliche Folge der induzierten Wechselspannungen und Anordnung der Wicklungen
(Quelle: Eigene Darstellung)
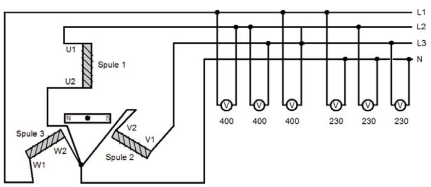
Die drei um 120° versetzten Wicklungen werden so einseitig zusammengeschaltet, dass ein Vierleiternetz mit zwei Spannungsgrößen entsteht.

Abb. 384

Abb. 385: Fünfpolige Leitung, Farbkennung und Verbraucher (Quelle: Eigene Darstellung)
Alle Angaben ohne Gewähr. Wer ohne spezielle Ausbildung an Starkstrom arbeitet, begibt sich in Lebensgefahr! Im Betrieb ist für alle Arbeiten am Stromnetz ein Elektriker heranzuziehen!
Elektrische Leistung
Leistung P (in W = Watt)
P = U x I bei Gleichstrom
P = U x I x cos μ bei Wechselstrom
P = U x I x cos μ x 1,73 bei Dreiphasenwechselstrom
cos μ = Leistungsfaktor, er berücksichtigt die Phasenverschiebung zwischen Spannung und Strom
1,73 = 3 - Verkettungsfaktor, er ist bedingt durch das Zusammenwirken der phasenverschobenen Ströme in den drei Außenleitern L1, L2 und L3
Elektrische Arbeit
Die elektrische Arbeit W ist das Produkt aus elektrischer Leistung P und Zeit t.
W = P x t
